达拉特光伏基地11月月报发布:总发电量5004万千瓦时,满负荷利用小时数平均为93小时
责任编辑:Lise 作者: 2019/12/18 9:49:27 浏览:1596 电站

2019年12月17日,水电水利规划设计总院发布了达拉特光伏基地首份月报。根据月报可知:

 

11月达拉特基地总发电量为5004万千瓦时,较上月总发电量减少2181万千瓦时,环比降幅30.36%。基地当年累计总发电量为9.2亿千瓦时。单体项目当月发电量较上月大部分所有减少,其中降幅最大的项目是国电投1号项目,环比减少37.55%。

 

●按照各项目上报的实际安装容量测算,11月达拉特基地平均满负荷利用小时数约为93小时。其中,中节能的利用小时数水平最高,达109小时。国电投2号项目(94 小时)、中广核(87 小时)的利用小时数也高于基地平均水平。

 

今年截至11月累计平均满负荷利用小时数为1711小时,中广核累计利用小时数最高(1799 小时),其他累计小时数超过平均水平的项目有国电投1号项目(1754 小时)。  

 

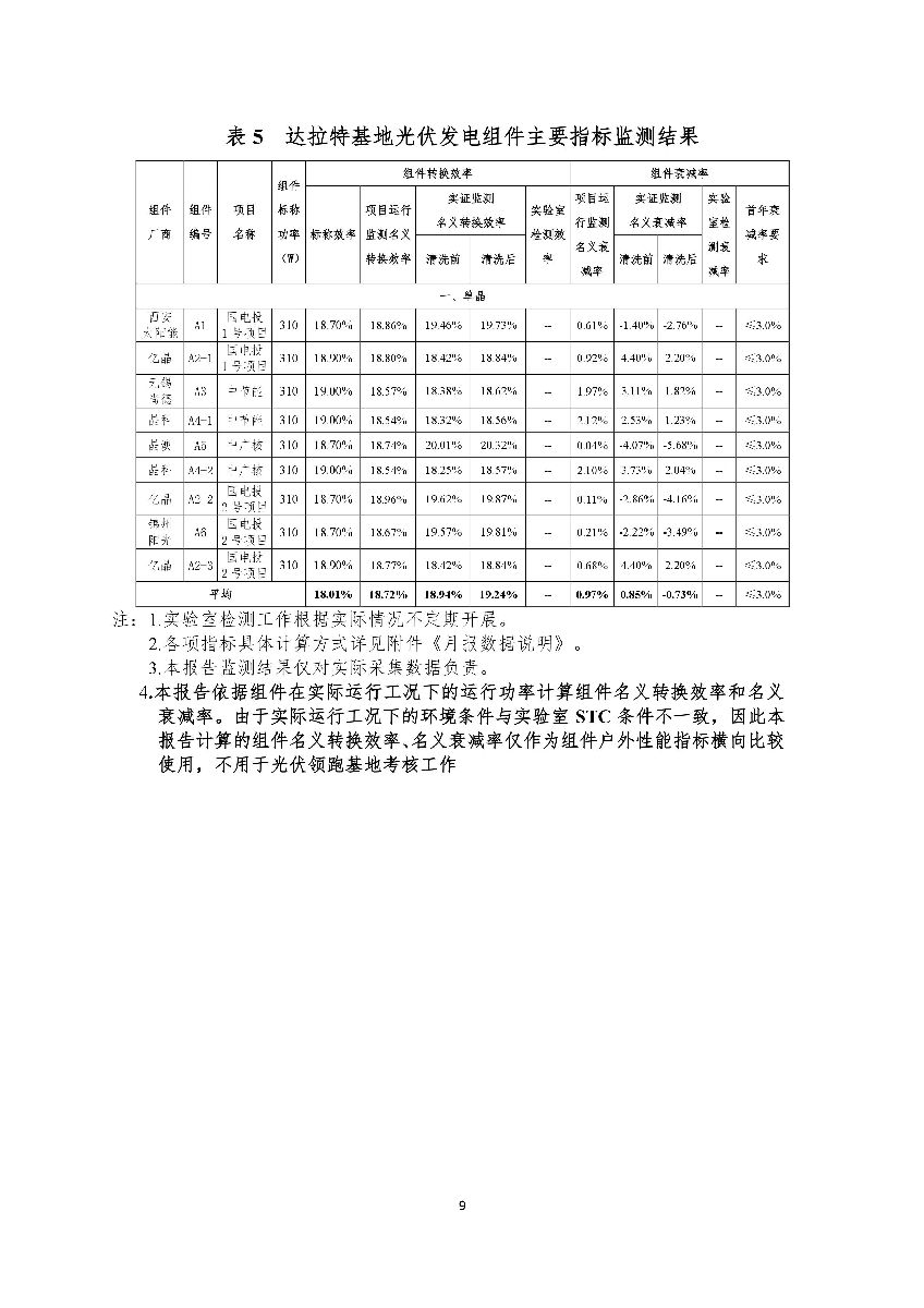
达拉特基地各项目全部采用单晶组件。从运行指标监测结果来看,基地单晶组件运行监测效率均值为 18.72%,名义衰减率均值为0.97%。单晶组件实证监测效率均值为19.24%,名义衰减率均值为-0.73%。逆变器最高转换效率均≥99%。各项目能效比均值为93.38%,今年累计能效比实测均值为 97.91%。

 

此外,值得注意的是,11月基地因冬季供暖期电网调峰能力不足,出现限电情况,合计限电损失电量 782.7 万千瓦时。部分电站进行了检修,产生了非故障停运电量。其中,国电投1号项目限电损失电量125.07万千瓦时,此外因临时检修损失电量49万千瓦时;中节能项目限电损失电量206.18万千瓦时;中广核项目限电损失电量133.4万千瓦时;国电投2号项目限电损失电量318.05万千瓦时。


  原文如下:

 

达拉特光伏发电应用领跑基地运行监测月报(2019年11月)


达拉特光伏发电应用领跑基地(以下简称达拉特基地)是我国第三批光伏领跑基地之一。为做好达拉特基地项目运行监测工作,在达拉特旗光伏发电应用领跑基地建设工作领导小组办公室组织下,中国水利水电建设工程咨询有限公司和中国电力科学研究院基于基地综合技术监测平台和先进技术微型实证平台的监测数据,联合编制完成了2019年11月达拉特光伏发电应用领跑基地运行监测月报。现正式对外发布,欢迎查阅。

 

附件:
      达拉特光伏发电应用领跑基地运行监测11月报.pdf


0021.jpg

本文由光伏們进行编辑整理,转载请注明出处、作者和本文链接。
了解更多光伏相关欢迎关注光伏們微信号:PV_MEN如果您有光伏趣闻或光伏相关的稿件可以投稿给我们:edit@pvmen.com
文章评论(0)
登录后发表评论
最新评论
合作伙伴partner

微信二维码